
从大件垃圾、资源垃圾中,回收含铁物质。
从破碎物、飞灰处理物中,回收含铁物质。
废家电回收处理装置,回收含铁物质。
本公司的电磁悬挂式磁选机,不仅具有强大的吸引性能,还配有晶闸管控制的直流电源装置,可以对磁力进行无级调节。
机器本体采用的是油冷、独立的散热系统,提高了线圈的冷却效果,在增强吸引力的同时,也减轻了重量。
为了将吸附物质顺利地向机器外排出,我们把辅助磁石作为设备的标准配置品。

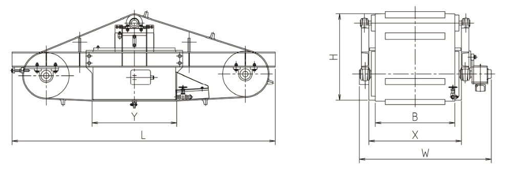
| 型号 | 外形尺寸 | 传送带的宽度 | 电磁石部的尺寸 | 电磁功率 | 电机功率 | 重 量 | |||
| W | L | H | B | X | Y | (kW/DCV) | (kW) | (kg) | |
| HE050SB | 1032 | 1945 | 692 | 550 | 660 | 580 | 1.5/100 | 1.5 | 800 |
HEO60SB | 1152 | 2075 | 722 | 650 | 780 | 700 | 2.3/170 | 1.5 | 1100 |
HEO75SB | 1327 | 2645 | 858 | 800 | 930 | 850 | 2.8/220 | 2.2 | 2000 |
HE090SB | 1532 | 2845 | 918 | 1000 | 1130 | 1050 | 3.9/120 | 2.2 | 2950 |
HE105SB | 1801 | 3045 | 958 | 1200 | 1330 | 1250 | 5.2/160 | 3.7 | 4050 |
HE120SB | 1946 | 3165 | 974 | 1300 | 1330 | 1330 | 7.1/220 | 3.7 | 5550 |
HE140SB | 2082 | 3335 | 1030 | 1400 | 1430 | 1430 | 7.9/200 | 5.5 | 6700 |
HE160SB | 2383 | 3790 | 1070 | 1700 | 1730 | 1730 | 8.4/220 | 5.5 | 9100 |
HE190SB | 2721 | 4095 | 1190 | 2000 | 2030 | 2030 | 12.9/220 | 7.5 | 14600 |
※根据客户的要求,我们也可以制作空冷式的机型。